рефераты скачать
 
Главная | Карта сайта
рефераты скачать
РАЗДЕЛЫ

рефераты скачать
ПАРТНЕРЫ

рефераты скачать
АЛФАВИТ
... А Б В Г Д Е Ж З И К Л М Н О П Р С Т У Ф Х Ц Ч Ш Щ Э Ю Я

рефераты скачать
ПОИСК
Введите фамилию автора:


Курсовая работа: Технология изготовления детали типа "Вал"

Рисунок 11 - Схема базирования заготовки 055 операции

Рисунок 12 - Схема базирования заготовки 065 операции

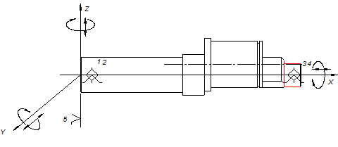
На шлифовальной 060 операции применяется базирование в спец. патроне со смещенным центром и заднем центре. Данная схема базирования применяется для шлифования поверхностей диаметром 40 k6 шероховатостью Ra=1,25 мкм. Данная схеме базирования лишает заготовку 5-ти степеней свободы -перемещения вдоль осей X Y Z и поворота вокруг осей Y Z. Ось является двойной направляющей базой и лишает деталь 4 степеней свободы; торец являются опорной базой и лишает 1 степени свободы.


Рисунок 13 - Схема базирования заготовки 060 операции

6.3 Разработка маршрута обработки заготовки

На основании плана обработки поверхностей и выбранных схем базирования заготовки, приступим к формированию маршрутного техпроцесса обработки детали «Вал». Представим в виде таблицы 6 маршрут механической обработки детали с кратким перечнем оборудования и технологической оснастки.

Таблица 6 – Маршрут обработки детали «маховик»

№ операции Наименование и содержание операций Оборудование Оснастка
1 2 3 4
005 Заготовительная
010 Термическая
015 Фрезерно-центровальная Фрезерно-центровальный станок МР-71 м тиски
020 Токарная с ЧПУ Токарный станок с ЧПУ 16К20Т1 Переналаживаемы патрон, задний центр
025 Токарная с ЧПУ Токарный станок с ЧПУ 16К20Т1 Патрон со смещенным центром
030 Токарная с ЧПУ Токарный станок с ЧПУ 16К20Т1 Переналаживаемы патрон, задний центр
035 Фрезерная Вертикально-фрезерный станок 6Р13Ф3 Спец. приспособление
040 Фрезерная Горизонтально фрезерный станок 6Р81 Спец. приспособление
045 Слесарная
050 Термическая
055 Круглошлифовальная Круглошлифовальный станок 3М151 Центра, поводковый патрон специальное
060 Круглошлифовальная Круглошлифовальный станок 3М151 Спец. патрон со смещенным центром
065 Круглошлифовальная Круглошлифовальный станок 3М151 Центра, поводковый патрон
070 Промывочная
075 Т.контроль
080 Гальваническая

7. Разработка технологических операций

7.1 Выбор технологического оборудования

Подробное описание маршрутного техпроцесса с содержанием операций и перечнем оборудования, приспособлений и инструмента приведено в технологических картах на механическую обработку детали в приложении.

Принцип выбора оборудования основывается на концентрации и дифференциации операций.

По возможности необходимо стремиться к обработке с одной установки максимально возможного количества поверхностей.

Установив при проектировании технологического процесса план и метод обработки детали, указываем, на каком станке будет выполняться данная операция, с помощью каких приспособлений и инструмента:

На 015 фрезерно-центровальной операции выбираем фрезерно-центровальный станок МР-71М;

На токарной с ЧПУ операции 020, 025, 030 выбираем токарный станок с ЧПУ 16К20Т1;

На фрезерную операцию 035 используем вертикально-фрезерный станок 6P13;

На фрезерную операцию 040 используем горизонтально -фрезерный станок 6Р81;

На операции круглошлифовальной 055,060,065 выбираем круглошлифовальный станок 3М151.

Таблица 7 - МР-71М Фрезерно-центровальный станок

Параметры МР-71М
1 2

Размеры обрабатываемых деталей диаметр,длина·, мм

Частота вращения фрезерного, об./мин

Частота вращения шпинделя сверлильного, об/мин

Предел подач при фрезеровании, мм/мин

Предел подач при сверлении, мм/мин

Габариты станка длина · ширина · высота, мм

Масса станка

Общая мощность электродвигателя, кВт

25÷125х200÷500

125-712

238-1125

20-400

20-300

3140·1630·4740

6100

15,3-18,6

Таблица 8 – 16К20Т1 Токарный станок с ЧПУ

Параметры 16К20Т1
1 2

Наибольший диаметр обрабатываемой заготовки:

над станиной, мм

над суппортом, мм

Наибольший диаметр прутка проходящего через отверстие шпинделя, мм

Наибольшая длина обрабатываемой заготовки

Шаг нарезаемой резьбы:

метрическая

500

215

53

900

0,01-40,95

дюймовая, число ниток на 1 дюйм – дюймовая

модульная, модуль

питчевая, питч

Частота вращения шпинделя, об/мин

Наибольшее перемещение, мм:

продольное

поперечное

Подача суппорта мм/об:

продольное

поперечное

Число ступеней подач

Скорость быстрого перемещения суппорта, мм/мин:

продольного

поперечного

Мощность электродвигателя главного привода, кВт

Габаритные размеры (без ЧПУ), мм:

длина

ширина

высота

Масса, кг

Конус Морзе в шпинделе

56-0,5

0,5-112

56-0,5

10-2000

900

250

0,01-2,8

0,005-1,4

б/с

6000

5000

11

3700

1770

1700

3800

N5, ( N6)


Таблица 9 – 6Р13 Вертикально фрезерный станок

Параметры 6Р13Ф3
1 2

Размеры рабочей поверхности стола, мм:

длина

ширина

Наибольшее перемещение стола, мм:

продольное

поперечное

вертикальное

Подача стола, мм/мин:

продольное и поперечное

вертикальное

Скорость поперечного быстрого перемещения стола, мм/мин:

продольного

поперечного

вертикального

Наибольший угол поворота наклона головки, 0

1600

400

1000

400

380

20-1200

20-1200

2400

2400

2400

3600

1 2

Частота вращения, мин-1

Конца шпинделя

Расстояние от оси шпинделя до вертикальных направляющих станины, мм

От торца шпинделя до рабочей поверхности стола, мм:

наибольший

наименьший

Мощность электродвигателя главного движения, кВт

Общая мощность всех электродвигателей, кВт

Габаритные размеры станка, мм:

длина

ширина

высота

Масса станка, кг

40-2000

7:24

500

450

70

7,5

12,7

3555

4150

2517

6900

Таблица 10 – 6Р81 Горизонтально- фрезерный станок

Параметры 6Р13Ф3
1 2

Размеры рабочей поверхности стола, мм:

длина

ширина

Наибольшее перемещение стола, мм:

продольное

поперечное

вертикальное

Расстояние

от оси горизонтального шпинделя до поверхности стола

от оси вертикального шпинделя до направляющей станины

от торца вертикального шпинделя до поверхности стола

Наибольшее перемещение гильзы вертикального шпинделя

Наибольший угол поворота стола

Внутренний конус шпинделя

Число скоростей шпинделя

Чистота вращения шпинделя, об/мин;

Число рабочих подач стола, мм/мин:

Подача стола

продольное

1000

250

630

200

320

50-370

-

-

-

45

16

50-1600

16

35-1020

поперечное

вертикальное

Скорость поперечного быстрого перемещения стола, мм/мин:

продольного

поперечного

вертикального

Мощность электродвигателя главного движения, кВт

Габаритные размеры станка, мм:

длина

ширина

высота

Масса станка, кг

28-790

14-390

2900

2300

1150

5,5

1480

1990

1630

2280

 

Таблица 11 - 3М150 Круглошлифовальный станок

Параметры 3М150
1 2

Наибольшие размеры устанавливаемой заготовки:

диаметр

длина

Рекомендуемый (или наибольший) диаметр шлифования:

наружного

внутреннего

Наибольшая длина шлифования:

наружного

внутреннего

Высота центров над столом

Наибольшее продольное перемещение стола

Угол поворота стола, 0;

по часовой стрелке

против часовой стрелке

Скорость автоматического перемещения стола (бесступенчатое регулирование), м/мин

Частота вращения, об/мин, шпинделя заготовки с бесступенчатым регулированием

Конус Морзе шпинделя передней бабки и пиноле задней бабки

Наибольшие размеры шлифовального круга:

наружный диаметр

высота

Перемещение шлифовальной бабки:

наибольшее

на одно деление лимба

за один оборот толчковой рукоятки

100

360

10-45

-

340

-

75

400

6

7

0,02-4

100-1000

3

400

40

80

0,002

0,0005

Частота вращения шпинделя шлифовального круга, об/мин,

при шлифовании:

наружном

внутреннем

Скорость врезной подачи шлифовальной бабки, мм/мин

Дискретность программируемого перемещения (цифровой индикации) шлифовальной бабки

Мощность электродвигателя привода главного движения, кВт

Габаритные размеры с приставленным оборудованием, мм

длина

ширина

высота

Масса (с приставным оборудованием), кг

2350, 1670

-

0,05-5

0,001

4

2500

2220

1920

2600

7.2 Выбор станочных приспособлений, режущего, вспомогательного и мерительного инструмента

При механической обработке детали важными факторами в достижении требуемой точности изготовления является способ базирования и закрепления заготовки, используемый инструмент, а также средства и методы контроля.

Для правильного выбора станочных приспособлений, посредствам которых можно осуществить требуемую схему базирования, режущего и мерительного инструмента воспользуемся литературой [2,8,10,11]. Сведем данные в таблицу 12.

Таблица 12 - Выбор станочных приспособлений, режущего и вспомогательного инструмента, а так же средств контроля

Наименование операции Выбор станочных приспособлений Выбор режущего и вспомогательного инструмента Выбор средств и методов контроля

1

2

3

4

015

Фрезерно-центровальная

Тиски Фреза торцевая Ø 100 мм с числом ножей 10 2214-033 1ГОСТ1092-80 (стр. 289 табл. 39 [3]) центровочное сверло Ø 5 2317-0007 ГОСТ 14952-69 (стр. 289 табл. 39 [3]). Штангенциркуль шцIII 250-710 ГОСТ166-63

020

Токарная с ЧПУ

Переналаживаемый патрон тип ПЗКП315.Ф6. 95 (стр. 183 табл. 2 [19]) и вращающийся центр ХМИЗ 7032-4015 (стр. 29 табл. 46 [19]).

Резец проходной отогнутый, обозначение 2100-0663 ГОСТ 18869-73

Резец проходной отогнутый чистовой, обозначение 2100-0215 ГОСТ 18869-73

Штангенциркуль шцIII 250-710 ГОСТ166-63

025

Токарная с ЧПУ

Патрон со смещающимся центром

Резец проходной отогнутый, обозначение 2100-0663 ГОСТ 18869-73

Резец проходной отогнутый чистовой, обозначение 2100-0215 ГОСТ 18869-73

Резец канавочный

2130-0511

ГОСТ 2087-80

Штангенциркуль шцIII 250-710 ГОСТ166-63

030

Токарная с ЧПУ

Переналаживаемый патрон тип ПЗКП315.Ф6. 95 (стр. 183 табл. 2 [4]) и вращающийся центр ХМИЗ 7032-4015 (стр. 29 табл. 46 [4]).

Резец проходной отогнутый, обозначение 2100-0663 ГОСТ 18869-73

Резец проходной отогнутый чистовой, обозначение 2100-0215 ГОСТ 18869-73

Штангенциркуль шцIII 250-710 ГОСТ166-63

035

Фрезерная

Приспособление фрезерное специальное

патрон 2-40-10-90 ГОСт 26539-85 патрон 2-40-6-90 ГОСТ 26539-85

Шпоночная фреза

Ø8 2234-0103 ГОСТ9140-68 (стр. 325 табл. 45 [3]).

Штангенциркуль шцIII 250-710 ГОСТ166-63

040

Фрезерная

Приспособление фрезерное специальное

Оправка для крепления дисковых фрез 6222-0053 ГОСТ13786-68

Фреза дисковая обозначение 2250-0055 ГОСТ8543-71 Штангенциркуль шцII-250-0,1 ГОСТ166-63
1 2 3 4

 

055

Шлифовальная

Поводковый патрон 7102-0025-2-1-П ГОСТ 24351-80 (стр. 187 табл. 5 [4]) и 2 центра 7032-0171 ГОСТ 18259-72 (стр. 29 табл. 6 [4]). Круг ПП 200×20×51 15А-ПСМ25К5А 1 кл. ГОСТ 2424-83

Штангенциркуль шцII-250-0,1 ГОСТ166-63

Калибр пробка

30 8136-0007-14Н СТПАЯ 211-86

 

060

Шлифовальная

Специальный патрон со смещенным центром Круг ПП 200×20×51 15А-ПСМ25К5А 1 кл. ГОСТ 2424-83

Угломер микрометрический

Штангенциркуль шцII-250-0,1 ГОСТ166-63

Калибр пробка

40 8136-0014-14Н СТПАЯ 211-86

 

065

Шлифовальная

Поводковый патрон 7102-0025-2-1-П ГОСТ 24351-80 (стр. 187 табл. 5 [19]) и 2 центра 7032-0171 ГОСТ 18259-72 (стр. 29 табл. 6 [11]). Круг ПП 200×20×51 15А-ПСМ25К5А 1 кл. ГОСТ 2424-83

Штангенциркуль шцII-250-0,1 ГОСТ166-63

Калибр пробка

20 8136-0002-14Н СТПАЯ 211-86

 

7.3 Формирование структуры операций.

Для создания чёткой картины обработки сформируем структуру операций и отобразим всё это в таблице 13.

Таблица 13 – Операционный технологический процесс

№ операций

переходов

Содержание операций Операционный эскиз Оборудование приспособление
005 Заготовительная
010 Термическая
015

Фрезерно-центровальная

1. Установить, зажать заготовку

2. Фрезеровать торцы вала, выдерживая размер (1)

3. Сверлить центровочные отверстия с двух сторон,

выдерживая размер (2)

4. Снять деталь

МР-71М

Тиски САамоцентрирующиеся

025

Токарная с ПУ

1. Установить, зажать заготовку выдерживая размер 1;

2. Точить поверхность с одновременной подрезкой торца, выдерживая размеры (3), (8), (9)

3.. Точить поверхность с одновременной подрезкой торца, выдерживая размеры (2), (6)

4. Точить канавку, выдерживая размер (4),(5),(7)

5. Снять заготовку

16К20Т1

Центросместительный патрон

вращающийся центр

030

Токарная с ПУ

1. Установить, зажать деталь

2. Точить поверхность с одновременной подрезкой торца, выдерживая размеры (3), (2)

с образованием фаски (4)

3. Точить поверхность с одновременной подрезкой торца, выдерживая размеры (5), (1)

с образованием фаски (6)

4. Снять заготовку

16К20Т1

Переналаживаемый патрон вращающийся центр

035

Фрезерная

1. Установить и зажать заготовку

2. Фрезеровать паз выдерживая размеры (1), (2),(3),(4)

3. Снять деталь

6Р13Ф3

специальное фрезерное приспособление

040

Фрезерная

1. Установить и зажать заготовку

2. Фрезеровать лыску выдерживая размеры (1), (2),(3),(4)

3. Снять деталь

6Р13Ф3

специальное фрезерное приспособление

045

Слесарная

1. Снять заусенцы

050

Термическая

055

Круглошлифовальная

1. Установить и зажать заготовку;

2.Шлифовать шлицевую поверхность с достижением шероховатости 1,25 мкм выдерживая размеры (1),(2)

3. Снять деталь.

3М151

центр и поводковый патрон

060

Круглошлифовальная

1. Установить, зажать заготовку выдерживая размер 3;

2.Шлифовать шлицевую поверхность с достижением шероховатости 1,25 мкм выдерживая размеры (1),(2)

3. Снять деталь.

3М151

патрон со смещенным центром

065

Круглошлифовальная

1. Установить, зажать заготовку;

2.Шлифовать шлицевую поверхность с достижением шероховатости 1,25 мкм выдерживая размеры (1),(2) 3. Снять деталь.

3М151

центр и поводковый патрон

070

Моечная

075

Контрольная

080

Гальваническая

Страницы: 1, 2, 3, 4, 5


рефераты скачать
НОВОСТИ рефераты скачать
рефераты скачать
ВХОД рефераты скачать
Логин:
Пароль:
регистрация
забыли пароль?

рефераты скачать    
рефераты скачать
ТЕГИ рефераты скачать

Рефераты бесплатно, реферат бесплатно, рефераты на тему, сочинения, курсовые работы, реферат, доклады, рефераты, рефераты скачать, курсовые, дипломы, научные работы и многое другое.


Copyright © 2012 г.
При использовании материалов - ссылка на сайт обязательна.